Audio Panel & Wiring Plan Design by Mike Konopka
Do you need custom audio connector panels or audio wiring design services? Mike Konopka has provided individualized panel and wiring design for many Chicago area and Midwest clients.
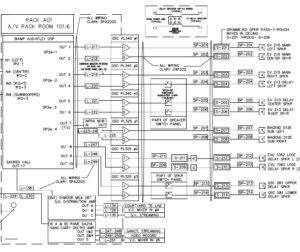
Two examples of his panel & wiring plan designs can be found at S.P.A.C.E.
in Evanston Illinois, and the Tanner Monagle audio/video complex in Milwaukee, Wisconsin. Mike has also supplied custom NEMA panel, wiring, and audio system designs to a large sanctuary in Deerfield, Illinois, and even a major label recording artist’s private studio in Northbrook, Illinois.
Also, Mike has provided numerous home & project studios with these expert services. High quality audio terminations and installation services for are available too.
Do you need professional audio panel & wiring plan design services?
Contact Mike for a free initial consultation
Audio Panel & Wiring Plan Design by Mike Konopka
Do you need professional audio panel & wiring plan design services?
Contact Mike for a free initial consultation









